文章大纲
第一节、法兰连接
法兰联接的设计中主要解决的问题是防止介质泄漏。
密封原理:当压力介质通过密封口的阻力降大于密封口两侧的介质压力降时,介质就被密封住。
泄漏途径:垫片渗漏、压紧面泄漏

预紧密封比压:形成初始密封条件时在垫片单位面积上受到的压紧力
工作密封比压:如果垫片具有足够的回弹能力,能使压缩变形的回复补偿螺栓和压紧面的变形,而使预紧密封比压值至少降到不小于工作密封比压,则法兰压紧面之间能够保持良好的密封状态。
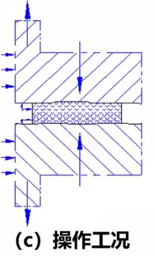
螺栓法兰连接的整个工作过程:(a)尚未预紧工况 (b)预紧工况 (c)操作工况

平焊法兰、对焊法兰




松式法兰(活套法兰):不会对筒体或管道产生附加的弯曲应力,但一般只适用于压力较低的场合。

影响法兰密封的因素 :
螺栓预紧力:预紧力使垫片压紧实现初始密封。
压紧面(密封面)
垫片性能
法兰刚度
密封失效的主要原因之一:刚度不足(过大的翘曲变形)
操作条件
法兰标准及其选用

第二节、容器支座
- 卧式容器支座
- 鞍座
- 圈座
- 支腿
- 立式容器支座
- 耳式支座
- 支承式支座
- 裙式支座
第三节、容器的开孔补强
开孔补强的形式

- 从强度角度考虑,密集补强最好,但加工难度最大;
- 外加强平齐接管的加工最易,但补强效果却最差。
开孔补强的结构:整体补强、补强圈补强
不另行补强的最大开孔直径(略)
开孔补强的原则:等面积补强法
第四节、容器附件
- 接口管
- 凸缘
- 手孔与人孔
- 视镜
- 液面计


发表您的看法